深圳qm犬马之家验证51茶馆,51龙凤茶楼论坛成都栖凤楼论坛官方网站 ,万花阁群狼谷论坛一品阁茶楼论坛官网入口,修车大队楼凤论坛

prev
next

产品名称:单相20A防火限流?;て?

更新时间:2022-07-28 16:49:20

产品详情

一、产品概述:

电气防火限流式?;て骺捎行Э朔扯下菲骺掌睾图嗫厣璞复嬖诘亩搪返缌鞔蟆⑶卸隙搪返缌魇奔涑?、短路时产生的电弧火花大,以及使用寿命短等弊端,发生短路故障时,能以微秒级速度快速限制短路电流以实现灭弧?;?,从而能显著减少电气火灾事故,保障使用场所人员和财产的安全??晒惴河τ糜谘?、医院、商场、宾馆、娱乐场所、寺庙、文物建筑、会展、住宅、仓库、幼儿园、老年人建筑、集体宿舍、电动车充电站及租赁式商场商铺、批发市场、集贸市场、甲乙丙类危险品库房等各种用电场所末端干、支路的线路?;ぁ?/p>


二、功能特点

实时监测用电线路电流,当发生线路短路时,能在150us内快速实现限流?;ざ?过流?;?过流报警,过流限流;过热?;?当?;て髂诓科骷ぷ魑露裙呤?,?;て魇凳┏孪蘖鞅;ぃ缋鲁卤;ぃ阈蚵┑绫;?,并发出声光报警信息;组网模式:设备具有485/GPRS组网连接设置,可连接至设备监控主机,并可实现云平台远程监控管理;适用于单相大电流充电线路。


三、技术参数:

工作电压

额定电流

短路保护时间

过载?;?/p>

报警方式

功耗

通讯方式

安装使用环境

AC85-265V 45-65Hz

20A    40A  63A

<150us

100-150%

初始值120%

声光报警可用消音按键消除

≤2.5VA 无负载

1路独立

RS485

工作环境温度:-10~+60℃

工作场所:无粉尘,无腐蚀,

                        无剧烈震动

相对湿度:相对湿度不超过95% 海拔高度:≤2000m


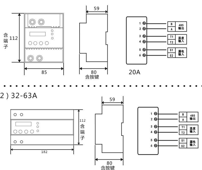
四、安装与接线

图片1.jpg


上一条:没有了
下一条: 单相63A防火限流?;て?/a>

返回列表